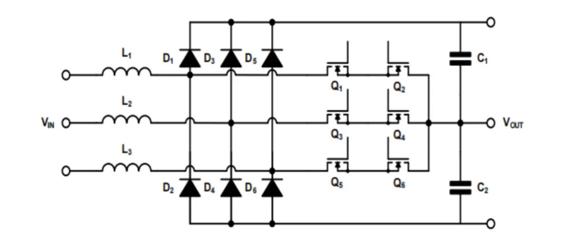
这种电路是常见的双电平电动汽车充电方案,包含一个三相半桥功率部分和另一个双有源桥功率部分。系统构造不复杂,运作效率很好,控制起来也很方便。它运用相移控制技术,在重载时能完成零电压转换,并且在200伏到1000伏的宽广充电电压区间内,能确保最高运作效能。在 25kW 电动汽车直流充电桩的构建方案里,选用了七个半桥式电力单元。
安森美公司的碳化硅器件,作为半桥功率集成模块,十分契合电动汽车充电设备的应用需求,其设计拥有便捷的安装方式和明确的参数标准,显著减小了热量传导的阻碍和电路中不必要的电感,从而有效提升整体工作效能和能量密度水平
碳化硅功率模块,型号M3S,采用半桥结构,额定电压1200伏,阻抗为4毫欧。
内置全新第三代碳化硅芯片
出色的品质因数(FOM) =
RDS(ON) × EOSS
采用 HPS 或 DBC 基板, 低热阻
预涂导热界面材料
该装置包含一个由宽禁带器件构成的电桥,存在下边路自触发的问题。导致此状况的因素有米勒电容、栅极电阻以及高电压变化率。针对此问题的一种办法是采用能够施加负栅极电位的栅极控制器。
这是一种单端隔离栅极推动设备,其拉出电流与注入电流的最大值分别是4.5安培和9安培。该产品能向高速开关用途供应时间短且适配的传送时滞。其核心优势在于独创的内置负偏置轨系统,电压等级涵盖负二伏特至负五伏特。
高功率运作时,务必密切关注功率单元及相关核心部件的情况,特别是它们的温升状况。安森美 全碳化硅(SiC)功率集成模块(PIM)内置了负温度系数热敏电阻(NTC),可以做到即时掌握温度变化,并能快速调整运行状态或启动降温设备。此外,为避免短路和过流引发的不良后果,电流检测线路必须安装在电桥之上。这一处理办法经济划算,比起栅极控制器里的退饱和(DESAT)防护措施,展现出更优的适应性。
安森美供应多种用于信号调节和控制的器件。该系列运算放大器支持轨到轨输出模式,拥有3MHz的频带宽度,并且有单通道、双通道以及四通道的不同版本。这些器件采用多种紧凑型封装,同时工作电压可以从2.7V一直调整到36V,因此能够满足多种不同场合的使用需求。为了精确测量电流,建议选用该设备,它拥有低压供电和低偏置的零漂移设计,能够最有效地在分流电阻上检测电流,满量程时的压降可以减小到10毫伏。
在 25 kW 电动汽车直流充电桩的辅助电源方案中,该部分负责为部分低压单元提供能量供给。此款电源设备属于固定频率、单片式降压开关电源类型。它特别适用于那些对低噪声和小型化有较高要求的系统环境。该设备能以稳定转换速率处理4.5 V到18 V的电源,转换成果为3.3 V以下电压,因此无需配置昂贵的过滤装置和抗电磁干扰措施。
这是另一种可用于电压提升和降低场景的直流电压转换器,其构造优势在于大幅减少所需附加组件的件数。两个型号均内含过热自动停机安全机制。

, 电压为一千二百伏 , M3S系列是新型1200V M3S平面碳化硅器件 , 属于该系列 。
针对高温运行进行了优化
改善寄生电容,适合高频运行
RDS(ON) =22 mΩ @VGS =18 V*
超低栅极电荷 (QG(TOT))=137 nC*
高速开关,具有低电容特性(COSS =146 pF)*
提供开尔文源极连接
场截止第七代, IGBT, 1200 V:
新型 1200V 沟槽型场截止第七代 IGBT 系列
沟槽窄台面与质子注入多重缓冲技术
提供快速开关与低饱和压降 VCE(SAT)类型
改进寄生电容,适用于高频运行
通用封装
目标应用 - 能源基础设施、工厂自动化
, 全碳化硅功率集成模块, 900V/1200V:
可用配置:维也纳,半桥,全桥
低热阻
内置 NTC 热敏电阻
在更高电压下改善了 RDS(ON)
更高效、更高功率密度
灵活的高可靠性热接口解决方案
如何选择栅极驱动器
电流驱动性能:开关的开启与关闭实质上就是输入输出电容器的蓄放电动作。更强的注入电流与抽取电流性能意味着更迅捷的开启和关闭动作,最终能够实现更低的开关能量损失。
故障诊断:栅极驱动器不仅负责驱动开关,还能保护开关及整个系统。比如,欠压锁定功能可保证栅极驱动器的电源正常,去饱和功能用于发现短路,有源米勒箝位功能可避免快速开关系统中的误触发。
抗扰能力方面,共模瞬态抗扰能力,即CMTI,代表栅极驱动器输入端与输出端之间共模电压发生增减的极限速率,这个指标明确该器件能否适配于高速开关环境,大功率系统运作时变化速率极快,例如超过每纳秒一百伏特,由此可能引发显著的电压波动现象隔离栅极驱动器必须具备承受超过标准电压的共模瞬变抑制能力,这样才能避免低压电路部分出现干扰,同时也能确保隔离层正常运作。
传输滞后表示输入达到十分之一到输出达到九十分之一所需的时间,不同厂商之间可能存在差异,这种滞后会作用在元件间的切换节奏,在高频运作场合极为关键,设定间歇期能够防止击穿并避免更严重的损毁,间歇期设定得越短,能量损耗就越低。
在新的项目里,只要没有关键性的构造调整,直接按引脚对应来更换是最佳方案,选用参数和外形接近的栅极驱动模块,有助于迅速完成设计工作。
有些规则并非全部适用,比如碳化硅的输出表现跟 IGBT 不一样,它类似可变电阻,不存在饱和阶段,因此常规的去饱和判断方法不适用,一般会借助电流感应设备来监测电流过大,或者利用温度感应装置来发现温度反常。
碳化硅(SiC) 隔离栅极驱动器:
4.5 A/9 A 峰值拉/灌电流
36 ns 传播延迟, 8 ns 最大延迟匹配
5 kV 电隔离, CMTI≥200 V/ns
双通道设计
8 毫米爬电距离的 SOIC-16WB 封装
隔离型大电流栅极驱动器:
高电流峰值输出(6.5 A/6.5 A)
欠压锁定(UVLO) , 有源米勒箝位
3.5 kV 电隔离, CMTI≥100 V/ns
典型 60 ns 传播延迟
单通道设计
8 毫米爬电距离的 SOIC-8WB 封装
常用 AC-DC 功率因数校正(PFC)拓扑结构

有源前端:
无桥接导通损耗
电路简单,易于控制,元件少
开关需要耐受全母线电压和尖峰电压
宽禁带(WBG)元件更受青睐,以降低总谐波失真(THD)
减小电感器尺寸
允许双向转换

维也纳整流器和 T-NPC:
三电平配置降低了总谐波失真(THD)和开关上的电压应力
易于控制,每相只需一个驱动信号即可驱动背靠背开关
开关的母线电压减半
桥接引起的导通损耗
通过全开关替换实现双向转换

交错并联 Boost 电路,单相:
减小电感器尺寸、电流应力和 EMI
易于控制,电路简单, 双倍/三倍元件
易于提高输出功率
桥接引起的导通损耗 .
仅单向运行

图腾柱 PFC,单相:
优化运作效能,抑制电磁杂讯,削减整体谐波偏差,降低每个导通时段内的换流频次
开关数量少,功率密度高
需要宽禁带元件以减少恢复损耗
零交越点噪声、共模噪声
支持双向转换
DC-DC 转换的常用拓扑结构

LLC 谐振转换器:
频率调制, 谐振转换器实现软开关以提高效率
初级侧零电压开关(ZVS) , 次级侧零电流开关(ZCS)
集成电感器以节省空间
复杂的谐振腔设计与控制
良好的 EMI 和输出纹波
需要额外的 DC-DC 转换以达到宽输出范围,以确保高效
在高频/高电压操作中,首选宽禁带元件。
仅单向运行

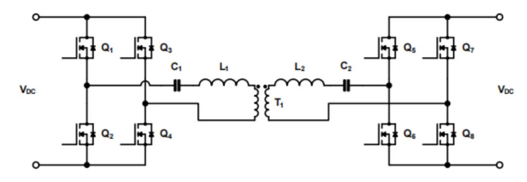
双有源桥变换器:
运行相移调制以实现高负载下的零电压开关(ZVS)
两级电流不匹配导致的意外损耗
相移、变压器、频率等方面的复杂设计以达到预期效率
在高频/高压运行中,首选宽禁带元件
在大功率情况下减少输出电流纹波以减小输出电容器尺寸
隔离转换以确保安全

CLLC 谐振变换器:
在 LLC 的基础上增加一个电容器以实现双向转换
复杂的调频和无源元件选择,以实现双向高效率 .
必须采用额外的 DC-DC 变换装置,才能在确保高效率的同时实现宽广的输出电压区间
全负载范围内效率优于双有源桥(DAB)变换器
隔离转换以确保安全
电动汽车直流充电桩的系统目标,市场信息与展望,系统描述等内容,请查阅第一篇《迅速流行的电动汽车直流充电桩设计手册,内容就在此处》

扫一扫在手机端查看
- 上一篇:php mariadb MySQL MariaDB 开源关系型数据库管理系统_服务器为什么搭建lamp环境?为什么服务器都爱搭建LAMP环境?
- 下一篇:Emacs 安装配置_[程序员小助手] Emacs,最强编辑器,没有之一
我们凭借多年的网站建设经验,坚持以“帮助中小企业实现网络营销化”为宗旨,累计为4000多家客户提供品质建站服务,得到了客户的一致好评。如果您有网站建设、网站改版、域名注册、主机空间、手机网站建设、网站备案等方面的需求,请立即点击咨询我们或拨打咨询热线: 13761152229,我们会详细为你一一解答你心中的疑难。


客服1